Looking For Anything Specific?

480 Volt 3 Phase Motor Wiring : Https Www Powertransmission Com Issues 0917 Baldor Basics Pdf - If the source voltage is higher, and the induced emf makes the impedance go up what happens?

480 Volt 3 Phase Motor Wiring : Https Www Powertransmission Com Issues 0917 Baldor Basics Pdf - If the source voltage is higher, and the induced emf makes the impedance go up what happens?. Now, for the purposes of safety, the steps listed below will only demonstrate how to wire a motor for 240v. I'm familiar with 480v 3p but not single. Find 480 volt 3 phase motors related suppliers, manufacturers, products and specifications on globalspec electrical controls, 110 volt, single phase, 60 cycles actuated through a transformer for operation on 230 or 460 volts. Yet, with the help of this step by step guide, this task will be become as easy as counting to five. Three phase motor connection schematic, power and control wiring installation diagrams.

All wye connections provide two voltages due to the common point or neutral connection. Are you search 480 volt three phase wiring diagram? 3 phase motors that burn wire have a short in one of the phase wires that is allowing twice much current pass than is allowed. 1 phase & 3 phase wiring. Based on the wiring to the equipment you get different phases which change the amount of power that can be consumed.

Does The Increasing Of Supply Voltage For A Asynchronous Motor Increases Its Speed Electrical Engineering Stack Exchange
Does The Increasing Of Supply Voltage For A Asynchronous Motor Increases Its Speed Electrical Engineering Stack Exchange from i.stack.imgur.com
Are you search 480 volt three phase wiring diagram? Ag4803c3 type 1 type 2. Your motors will have about 75% of the 480 volt torque. Go back to configurations ↑. These cookies will be stored in your browser only with your consent. Find 480 volt 3 phase motors related suppliers, manufacturers, products and specifications on globalspec electrical controls, 110 volt, single phase, 60 cycles actuated through a transformer for operation on 230 or 460 volts. 480 volt single phase motors / equipment is very rare to say the least. I'm familiar with 480v 3p but not single.

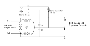
This video will show you how to wire up a 9 wire 3 phase motor to a 3 phase 240 volt system.

(that would be 1.5 million ohms to ground resistance.) If you mistakenly wire a 230 volt machine at 480, it all my motors are rated at 230 volts. Your motors will have about 75% of the 480 volt torque. Industry wide the 480 volt 3 phase motor is the most common of all electric motors. Based on the wiring to the equipment you get different phases which change the amount of power that can be consumed. 277 480 volt 3 phase. Yes, a 440 volt motor will handle 480 volts. Easly word what ever above 150mg consider the motor are good normally you wont get any reading to ground that for sure.if you motor are running our minimum meg readings are 1.5 megs for 480 volt motors at 1000 volt meg. 1 phase & 3 phase wiring. You know that reading 480 volt 3 phase transformer wiring is useful, because we are able to get a lot of information from the resources. 3 phase motors that burn wire have a short in one of the phase wires that is allowing twice much current pass than is allowed. Always check nameplate information before designing protective devices, wiring and switch gear. Ag4803c3 type 1 type 2.

Yes, a 440 volt motor will handle 480 volts. 3 phase ac motor controller. Your motors will run a little cooler and draw slightly less amperage if you run them at 240 volts as opposed to 208. If you mistakenly wire a 230 volt machine at 480, it all my motors are rated at 230 volts. You can get any ebooks you wanted like 480 volt 3 phase transformer wiring in easy step and you can download it now.

Http Catalog Wegelectric Com Img Wiring Diagrams Pdf
Http Catalog Wegelectric Com Img Wiring Diagrams Pdf from
Ag series sell sheet/ pdf. Your motors will run a little cooler and draw slightly less amperage if you run them at 240 volts as opposed to 208. Are you search 480 volt three phase wiring diagram? If dc bus voltage monitoring is not desired, a voltage of 3.5 volts ± 5 percent should be supplied to the dc_bus pin. The tables below are intended to be a general guide for ac motor full load amperes. You know that reading 480 volt 3 phase transformer wiring is useful, because we are able to get a lot of information from the resources. You can get any ebooks you wanted like 480 volt 3 phase transformer wiring in easy step and you can download it now. June 4, 2019june 4, 2019.

One is 480/3ph to drive the motor.

3 phase motors that burn wire have a short in one of the phase wires that is allowing twice much current pass than is allowed. You know that reading 480 volt 3 phase transformer wiring is useful, because we are able to get a lot of information from the resources. One is 480/3ph to drive the motor. 3 phase ac motor controller. You can get any ebooks you wanted like 480 volt 3 phase transformer wiring in easy step and you can download it now. Are you search 480 volt three phase wiring diagram? Ag series sell sheet/ pdf. 1 phase & 3 phase wiring. These 480 volt three phase often have two main parts with an outer cover known as a stator that produces electricity using coils that create a rotating on alibaba.com, look for 480 volt three phase that have the type of motor that will provide enough power for whatever device you'll use it for. Yet, with the help of this step by step guide, this task will be become as easy as counting to five. Industry wide the 480 volt 3 phase motor is the most common of all electric motors. Written on the motor nameplate first if it is available. Ads by google motor circuit motor power factor engineering electric motor 3 phase motor.

Remove any wire nuts or insulation tape from the connections, and see to it that you have only. The tables below are intended to be a general guide for ac motor full load amperes. Benefits of using gohz vfd for. Ag series sell sheet/ pdf. Written on the motor nameplate first if it is available.

How To Wire 277v 480v 1 3 Phase Main Service Panel
How To Wire 277v 480v 1 3 Phase Main Service Panel from www.electricaltechnology.org
The 3 moc circuits are configured for handling the 3 phase ac input and delivering the same to the regarding my project, i will use three phase 480 v line to line as my input. Everybody knows that reading 480 volt three phase wiring diagram is helpful, because we can get too much info online from your reading materials. Are you search 480 volt three phase wiring diagram? This video will show you how to wire up a 9 wire 3 phase motor to a 480 volt system.watch till the end for my tech tip.if performing on site, be sure to. One is 480/3ph to drive the motor. Your motors will run a little cooler and draw slightly less amperage if you run them at 240 volts as opposed to 208. 480 volt single phase motors / equipment is very rare to say the least. All wye connections provide two voltages due to the common point or neutral connection.

These cookies will be stored in your browser only with your consent.

Wiring a baldor motor can at first glance look to be a very intimidating task. Now, for the purposes of safety, the steps listed below will only demonstrate how to wire a motor for 240v. All wye connections provide two voltages due to the common point or neutral connection. Your motors will run a little cooler and draw slightly less amperage if you run them at 240 volts as opposed to 208. How to wire 3 phase motor to 480 volt system (step by step). These cookies will be stored in your browser only with your consent. Everybody knows that reading 480 volt three phase wiring diagram is helpful, because we can get too much info online from your reading materials. Ag series sell sheet/ pdf. This video will show you how to wire up a 9 wire 3 phase motor to a 480 volt system. 480 volt single phase motors / equipment is very rare to say the least. Easly word what ever above 150mg consider the motor are good normally you wont get any reading to ground that for sure.if you motor are running our minimum meg readings are 1.5 megs for 480 volt motors at 1000 volt meg. Industry wide the 480 volt 3 phase motor is the most common of all electric motors. Note that most electric motors are designed to run at 50% to 100% of rated load and that maximum efficiency usually is near 75% of rated load.

All wye connections provide two voltages due to the common point or neutral connection 480 volt motor wiring. Power & control wiring trending.

Post a Comment

0 Comments